Кузов и покрытие. Стекла, рамы и механизмы.
ПРИМЕЧАНИЕ: Для выполнения всех электрических измерений используйте цифровой мультиметр.
PINPOINT-ТЕСТ P: ЭЛЕКТРОПРИВОД СТЕКЛОПОДЪЕМНИКА ЛЕВОГО ИЛИ ПРАВОГО ОКНА НЕ РАБОТАЕТ — ПЕРЕДНИЕ И ЗАДНИЕ ОКНА С ЭЛЕКТРОПРИВОДОМ СТЕКЛОПОДЪЕМНИКА
|
СОСТОЯНИЯ |
ПОДРОБНОСТИ/РЕЗУЛЬТАТЫ/ДЕЙСТВИЯ |
|
P1: ПРОВЕРЬТЕ НАПРЯЖЕНИЕ ЗАЖИГАНИЯ, ПОДАВАЕМОЕ НА ПЕРЕКЛЮЧАТЕЛЬ НЕРАБОТАЮЩЕГО СТЕКЛОПОДЪЕМНИКА |
|
|
ПРИМЕЧАНИЕ: Удостоверьтесь в том, что не активизирована блокировка переключателя стеклоподъемника заднего окна. |
|
|
1 Ведите положение ON. |
|
|
• Светодиод переключателя неработающего стеклоподъемника горит? |
|
|
→ Да |
|
|
Перейдите к P2 |
|
|
→ Нет |
|
|
Перейдите к P6 |
|
|
P2: ПРОВЕРЬТЕ РАБОТУ НЕРАБОТАЮЩЕГО СТЕКЛОПОДЪЕМНИКА, НАЖАВ НА ПЕРЕКЛЮЧАТЕЛЬ СТЕКЛОПОДЪЕМНИКА ОКНА ДВЕРИ ВОДИТЕЛЯ |
|
|
1 Нажмите на переключатель стеклоподъемника окна двери водителя. |
|
|
• Неработающий стеклоподъемник работает правильно? |
|
|
→ Да |
|
|
Стеклоподъемник окна двери водителя. ПРОВЕРЬТЕ обоснованность жалобы клиента. Все стеклоподъемники пассажирских окон, Перейдите к P3 |
|
|
→ Нет |
|
|
Перейдите к P8 |
|
|
P3: ПРОВЕРЬТЕ НА НАЛИЧИЕ РАЗРЫВОВ УЧАСТОК МЕЖДУ ПЕРЕКЛЮЧАТЕЛЕМ НЕРАБОТАЮЩЕГО СТЕКЛОПОДЪЕМНИКА И ЦЕПЬЮ ПОДНИМАНИЯ ЭЛЕКТРОДВИГАТЕЛЯ СТЕКЛОПОДЪЕМНИКА |
|
|
1 Отсоедините Электродвигатель неработающего стеклоподъемника — C735 или C736. |
|
|
2 Отсоедините Переключатель неработающего стеклоподъемника — C482 или C485. |
|
![]() ![]() |
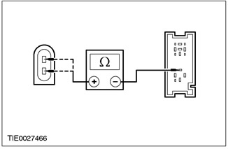
3 Измерьте сопротивление между: • штырем 5 C485 переключателя стеклоподъемника окна передней пассажирской двери, электрической цепи 31S-AJ55B (черной/оранжевой), со стороны жгута электропроводки, и штырем 3 C735 электродвигателя стеклоподъемника, электрической цепи 31S-AJ55A (черной/оранжевой), со стороны жгута электропроводки. • штырем 5 C482 переключателя стеклоподъемника левой задней пассажирской двери, электрической цепи 31S-AJ46B (черной/белой), со стороны жгута электропроводки, и штырем 3 C736 электродвигателя стеклоподъемника, электрической цепи 31S-AJ46A (черной/белой), со стороны жгута электропроводки. • штырем 5 C482 переключателя стеклоподъемника правой задней пассажирской двери, электрической цепи 31S-AJ46B (черной/белой), со стороны жгута электропроводки, и штырем 3 C736 электродвигателя стеклоподъемника, электрической цепи 31S-AJ46A (черной/белой), со стороны жгута электропроводки. |
|
• Сопротивление составляет менее 5 Ом? |
|
|
→ Да |
|
|
Перейдите к P4 |
|
|
→ Нет |
|
|
ОТРЕМОНТИРУЙТЕ электрическую цепь 31S-AJ55B (черную/оранжевую) или электрическую цепь 31S-AJ46B (черную/белую). ПРОВЕРЬТЕ правильность работы системы. |
|
|
P4: ПРОВЕРЬТЕ НА НАЛИЧИЕ РАЗРЫВОВ УЧАСТОК МЕЖДУ ПЕРЕКЛЮЧАТЕЛЕМ НЕРАБОТАЮЩЕГО СТЕКЛОПОДЪЕМНИКА И ЦЕПЬЮ ОПУСКАНИЯ ЭЛЕКТРОДВИГАТЕЛЯ СТЕКЛОПОДЪЕМНИКА |
|
![]() ![]() |
1 Измерьте сопротивление между: • штырем 2 C485 переключателя стеклоподъемника окна передней пассажирской двери, электрической цепи 31S-AJ54B (черной/синей), со стороны жгута электропроводки, и штырем 4 C735 электродвигателя стеклоподъемника, электрической цепи 31S-AJ54A (черной/синей), со стороны жгута электропроводки. • штырем 2 C482 переключателя стеклоподъемника левой задней пассажирской двери, электрической цепи 31S-AJ63B (черной/синей), со стороны жгута электропроводки, и штырем 4 C736 электродвигателя стеклоподъемника, электрической цепи 31S-AJ63A (черной/синей), со стороны жгута электропроводки. • штырем 2 C483 переключателя стеклоподъемника правой задней пассажирской двери, электрической цепи 31S-AJ63B (черной/синей), со стороны жгута электропроводки, и штырем 4 C736 электродвигателя стеклоподъемника, электрической цепи 31S-AJ63A (черной/синей), со стороны жгута электропроводки. |
|
• Сопротивление составляет менее 5 Ом? |
|
|
→ Да |
|
|
Перейдите к P5 |
|
|
→ Нет |
|
|
ОТРЕМОНТИРУЙТЕ электрическую цепь 31S-AJ54B (черную/синюю) или электрическую цепь31S-AJ63B (черную/синюю). ПРОВЕРЬТЕ правильность работы системы. |
|
|
P5: ПРОВЕРЬТЕ ЦЕПЬ ЗАЗЕМЛЕНИЯ ЭЛЕКТРОДВИГАТЕЛЯ НЕРАБОТАЮЩЕГО СТЕКЛОПОДЪЕМНИКА |
|
![]() ![]() |
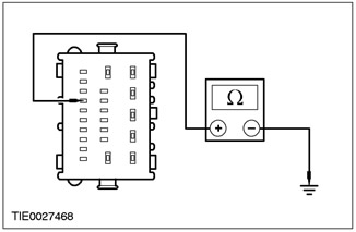
1 Измерьте сопротивление между: • штырем 8 C735 электродвигателя стеклоподъемника переднего пассажирского окна, электрической цепи 31-AJ27 (черной), со стороны жгута электропроводки, и «массой». • штырем 8 C736 электродвигателя стеклоподъемника левого заднего пассажирского окна, электрической цепи 31-AJ31 (черной), со стороны жгута электропроводки, и «массой». • штырем 8 C736 электродвигателя стеклоподъемника правого заднего пассажирского окна, электрической цепи 31-AJ31 (черной), со стороны жгута электропроводки, и «массой». |
|
• Сопротивление составляет менее 5 Ом? |
|
|
→ Да |
|
|
ПРОВЕРЬТЕ обоснованность жалобы клиента. |
|
|
→ Нет |
|
|
ОТРЕМОНТИРУЙТЕ электрическую цепь 31-AJ27 (черную) или электрическую цепь 31-AJ31 (черную). ПРОВЕРЬТЕ правильность работы системы. |
|
|
P6: ПРОВЕРЬТЕ НАПРЯЖЕНИЕ, ПОДАВАЕМОЕ НА ПЕРЕКЛЮЧАТЕЛЬ НЕРАБОТАЮЩЕГО СТЕКЛОПОДЪЕМНИКА |
|
|
1 Введите положение OFF. |
|
|
2 Отсоедините Переключатель неработающего стеклоподъемника — C482, C484 или C485. |
|
|
3 Ведите положение ON. |
|
![]() ![]() |
ПРИМЕЧАНИЕ: Показан переключатель стеклоподъемника пассажирского окна. 4 Измерьте напряжение между: • штырем 13 C484 переключателя стеклоподъемника окна водителя, электрической цепи 15-LH14 (зеленой/желтой), со стороны жгута электропроводки, и «массой». • штырем 1 C485 переключателя стеклоподъемника окна передней пассажирской двери, электрической цепи 15-LH31 (зеленой/синей), со стороны жгута электропроводки, и «массой». • штырем 1 C482 переключателя стеклоподъемника левой задней пассажирской двери, электрической цепи 15-LH36 (зеленой/красной), со стороны жгута электропроводки, и «массой». • штырем 1 C482 переключателя стеклоподъемника правой задней пассажирской двери, электрической цепи 15-LH36 (зеленой/красной), со стороны жгута электропроводки, и «массой». |
|
• Напряжение составляет более 10 В? |
|
|
→ Да |
|
|
Перейдите к P7 |
|
|
→ Нет |
|
|
Перейдите к P14 |
|
|
P7: ПРОВЕРЬТЕ ЦЕПЬ ЗАЗЕМЛЕНИЯ ПЕРЕКЛЮЧАТЕЛЯ НЕРАБОТАЮЩЕГО СТЕКЛОПОДЪЕМНИКА |
|
|
1 Введите положение OFF. |
|
![]() ![]() |
ПРИМЕЧАНИЕ: Показан переключатель стеклоподъемника окна водителя. 2 Измерьте сопротивление между: • штырем 4 C484 переключателя стеклоподъемника окна водителя, электрической цепи 31-AJ7 (черной), со стороны жгута электропроводки, и «массой». • штырем 6 C485 переключателя стеклоподъемника окна передней пассажирской двери, электрической цепи 31-AJ18 (черной), со стороны жгута электропроводки, и «массой». • штырем 6 C482 переключателя стеклоподъемника левой задней пассажирской двери, электрической цепи 31S-AJ32 (черной/оранжевой), со стороны жгута электропроводки, и «массой». • штырем 6 C482 переключателя стеклоподъемника правой задней пассажирской двери, электрической цепи 31S-AJ32 (черной/оранжевой), со стороны жгута электропроводки, и «массой». |
|
• Сопротивление составляет менее 5 Ом? |
|
|
→ Да |
|
|
ОТРЕМОНТИРУЙТЕ цепь 32-AJ26 (белую). |
|
|
→ Нет |
|
|
ОТРЕМОНТИРУЙТЕ электрическую цепь 31-AJ7 (черную); или электрическую цепь31-AJ18 (черную) или электрическую цепь31S-AJ32 (черную/оранжевую). Проверьте напряжение переключения на реле открывания/закрывания «в одно касание» |
|
|
P8: ПРОВЕРЬТЕ НАПРЯЖЕНИЕ, ПОДАВАЕМОЕ НА РАЗЪЕМ ДВЕРИ С НЕРАБОТАЮЩИМ СТЕКЛОПОДЪЕМНИКОМ |
|
|
1 Введите положение OFF. |
|
|
2 Отсоедините Разъем двери с неработающим стеклоподъемником — C42, C44, C45 или C46. |
|
|
3 Ведите положение ON. |
|
![]() ![]() |
ПРИМЕЧАНИЕ: Показан разъем передней двери со стеклоподъемником. 4 Измерьте напряжение между: • штырем 9 C42 стеклоподъемника левой передней двери, электрической цепи 29-AJ26 (оранжевой/желтой), со стороны жгута электропроводки, и «массой». • штырем 9 C44 стеклоподъемника правой передней двери, электрической цепи 29-AJ27 (оранжевой/белой), со стороны жгута электропроводки, и «массой». • штырем 9 C45 стеклоподъемника левой задней пассажирской двери, электрической цепи 29-AJ13 (оранжевой/синей), со стороны жгута электропроводки, и «массой». • штырем 9 C46 стеклоподъемника правой задней пассажирской двери, электрической цепи 29-AJ23 (оранжевой/белой), со стороны жгута электропроводки, и «массой». |
|
• Проверьте напряжение зажигания, подаваемое на реле открывания «в одно касание» |
|
|
→ Да |
|
|
Перейдите к P9 |
|
|
→ Нет |
|
|
ОТРЕМОНТИРУЙТЕ электрическую цепь 29-AJ26 (оранжевую/желтую); или электрическую цепь 29-AJ27 (оранжевую/белую); или электрическую цепь 29-AJ13 (оранжевую/синюю) или электрическую цепь 29-AJ23 (оранжевую/белую). Выполните проверку элементов переключателя стеклоподъемника окна водителя. |
|
|
P9: ПРОВЕРЬТЕ ЦЕПЬ ЗАЗЕМЛЕНИЯ ЭЛЕКТРОДВИГАТЕЛЯ НЕРАБОТАЮЩЕГО СТЕКЛОПОДЪЕМНИКА |
|
|
1 Введите положение OFF. |
|
|
2 Отсоедините Электродвигатель неработающего стеклоподъемника — C734, C735 или C736. |
|
![]() ![]() |
3 Измерьте сопротивление между: • штырем 8 C734 электродвигателя стеклоподъемника окна двери водителя, электрической цепи 31-AJ26 (черной), со стороны жгута электропроводки, и «массой». • штырем 8 C735 электродвигателя стеклоподъемника переднего пассажирского окна, электрической цепи 31-AJ27 (черной), со стороны жгута электропроводки, и «массой». • штырем 8 C736 электродвигателя стеклоподъемника левого заднего пассажирского окна , электрической цепи 31-AJ31 (черной), со стороны жгута электропроводки, и «массой». • штырем 8 C736 электродвигателя стеклоподъемника правого заднего пассажирского окна, электрической цепи 31-AJ31 (черной), со стороны жгута электропроводки, и «массой». |
|
• Сопротивление составляет менее 5 Ом? |
|
|
→ Да |
|
|
Перейдите к P10 |
|
|
→ Нет |
|
|
ОТРЕМОНТИРУЙТЕ электрическую цепь 31-AJ26 (черную); или электрическую цепь31-AJ27 (черную); или электрическую цепь31-AJ31 (черную). ПРОВЕРЬТЕ правильность работы системы. |
|
|
P10: ПРОВЕРЬТЕ НАПРЯЖЕНИЕ, ПОДАВАЕМОЕ НА РАЗЪЕМ ЭЛЕКТРОДВИГАТЕЛЯ НЕРАБОТАЮЩЕГО СТЕКЛОПОДЪЕМНИКА |
|
|
1 Подсоедините Разъем двери с неработающим стеклоподъемником — C42, C44, C45 ИЛИ C46. |
|
|
2 Ведите положение ON. |
|
![]() ![]() |
3 Измерьте напряжение между: • штырем 7 C734 электродвигателя стеклоподъемника окна двери водителя, электрической цепи 29-AJ26 (оранжевой/желтой), со стороны жгута электропроводки, и «массой». • штырем 7 C735 электродвигателя стеклоподъемника переднего пассажирского окна, электрической цепи 29-AJ27 (оранжевой/белой), со стороны жгута электропроводки, и «массой». • штырем 7 C736 электродвигателя стеклоподъемника левого заднего пассажирского окна, электрической цепи 29-AJ31 (оранжевой/синей), со стороны жгута электропроводки, и «массой». • штырем 7 C736 электродвигателя стеклоподъемника правого заднего пассажирского окна, электрической цепи 29-AJ31 (оранжевой/синей), со стороны жгута электропроводки, и «массой». |
|
• Напряжение составляет более 10 В? |
|
|
→ Да |
|
|
Перейдите к P11 |
|
|
→ Нет |
|
|
ОТРЕМОНТИРУЙТЕ электрическую цепь 29-AJ26 (оранжевую/желтую); или электрическую цепь 29-AJ27 (оранжевую/белую) или электрическую цепь 29-AJ31 (оранжевую/синюю). ПРОВЕРЬТЕ правильность работы системы. |
|
|
P11: ПРОВЕРЬТЕ НА НАЛИЧИЕ РАЗРЫВОВ ЦЕПЬ ПОДНИМАНИЯ ЭЛЕКТРОДВИГАТЕЛЯ НЕРАБОТАЮЩЕГО СТЕКЛОПОДЪЕМНИКА |
|
|
1 Введите положение OFF. |
|
|
2 Нажмите на переключатель электродвигателя неработающего стеклоподъемника в положении ПОДНИМАНИЯ. |
|
![]() ![]() |
3 Измерьте сопротивление между: • штырем 3 C734 электродвигателя стеклоподъемника окна двери водителя, электрической цепи 31S-AJ41 (черной/оранжевой), со стороны жгута электропроводки, и «массой». • штырем 3 C735 электродвигателя стеклоподъемника переднего пассажирского окна, электрической цепи 31S-AJ55A (черной/оранжевой), со стороны жгута электропроводки, и «массой». • штырем 3 C736 электродвигателя стеклоподъемника левого заднего пассажирского окна, электрической цепи 31S-AJ46A (черной/белой), со стороны жгута электропроводки, и «массой». • штырем 3 C736 электродвигателя стеклоподъемника правого заднего пассажирского окна, электрической цепи 31S-AJ46A (черной/белой), со стороны жгута электропроводки, и «массой». |
|
• Сопротивление составляет менее 5 Ом? |
|
|
→ Да |
|
|
Перейдите к P12 |
|
|
→ Нет |
|
|
ОТРЕМОНТИРУЙТЕ электрическую цепь 31S-AJ41 (черную/оранжевую); или электрическую цепь 31S-AJ55A (черную/оранжевую) или электрическую цепь 31S-AJ46A (черную/белую). ПРОВЕРЬТЕ правильность работы системы. |
|
|
P12: ПРОВЕРЬТЕ НА НАЛИЧИЕ РАЗРЫВОВ ЦЕПЬ ОПУСКАНИЯ ЭЛЕКТРОДВИГАТЕЛЯ НЕРАБОТАЮЩЕГО СТЕКЛОПОДЪЕМНИКА |
|
|
1 Нажмите на переключатель электродвигателя неработающего стеклоподъемника в положении ОПУСКАНИЯ. |
|
![]() ![]() |
2 Измерьте сопротивление между: • штырем 4 C734 электродвигателя стеклоподъемника окна двери водителя, электрической цепи 31S-AJ40 (черной/синей), со стороны жгута электропроводки, и «массой». • штырем 4 C735 электродвигателя стеклоподъемника переднего пассажирского окна, электрической цепи 31S-AJ54A (черной/синей), со стороны жгута электропроводки, и «массой». • штырем 4 C736 электродвигателя стеклоподъемника левого заднего пассажирского окна, электрической цепи 31S-AJ63A (черной/синей), со стороны жгута электропроводки, и «массой». • штырем 4 C736 электродвигателя стеклоподъемника правого заднего пассажирского окна, электрической цепи 31S-AJ63A (черной/синей), со стороны жгута электропроводки, и «массой». |
|
• Сопротивление составляет менее 5 Ом? |
|
|
→ Да |
|
|
Перейдите к P13 |
|
|
→ Нет |
|
|
ОТРЕМОНТИРУЙТЕ электрическую цепь 31S-AJ40 (черную/синюю); или электрическую цепь 31S-AJ54A (черную/синюю) или электрическую цепь 31S-AJ63A (черную/синюю). ПРОВЕРЬТЕ правильность работы системы. |
|
|
P13: ПРОВЕРЬТЕ НАПРЯЖЕНИЕ, ПОДАВАЕМОЕ НА ЭЛЕКТРОДВИГАТЕЛЬ НЕРАБОТАЮЩЕГО СТЕКЛОПОДЪЕМНИКА |
|
|
1 Ведите положение ON. |
|
![]() ![]() |
2 Измерьте напряжение между: • штырем 2 C734 электродвигателя стеклоподъемника окна двери водителя, электрической цепи 15-AJ26A (зеленой/желтой), со стороны жгута электропроводки, и «массой». • штырем 2 C735 электродвигателя стеклоподъемника переднего пассажирского окна, электрической цепи 15S-AJ27A (зеленой/белой), со стороны жгута электропроводки, и «массой». • штырем 2 C736 электродвигателя стеклоподъемника левого заднего пассажирского окна, электрической цепи 15S-AJ31A (зеленой/синей), со стороны жгута электропроводки, и «массой». • штырем 2 C736 электродвигателя стеклоподъемника правого заднего пассажирского окна, электрической цепи 15S-AJ31A (зеленой/синей), со стороны жгута электропроводки, и «массой». |
|
• Напряжение составляет более 10 В? |
|
|
→ Да |
|
|
УСТАНОВИТЕ новый электродвигатель. ПРОВЕРЬТЕ правильность работы системы. |
|
|
→ Нет |
|
|
ОТРЕМОНТИРУЙТЕ электрическую цепь 15-AJ26A (зеленую/желтую); или электрическую цепь 15S-AJ27A (зеленую/белую) или электрическую цепь 15S-AJ31A (зеленую/синюю). ПРОВЕРЬТЕ правильность работы системы. |
|
|
P14: ПРОВЕРЬТЕ НАПРЯЖЕНИЕ, ПОДАВАЕМОЕ НА РАЗЪЕМ ДВЕРИ С НЕРАБОТАЮЩИМ СТЕКЛОПОДЪЕМНИКОМ |
|
|
1 Отсоедините Разъем двери с неработающим стеклоподъемником — C42, C44, C45 или C46. |
|
![]() ![]() |
ПРИМЕЧАНИЕ: Показан разъем стойки В. 2 Измерьте напряжение между: • штырем 15 C42 стеклоподъемника левой передней двери, электрической цепи 15-AJ26 (зеленой/желтой) левая сторона (электрической цепи 15-AJ27 [зеленой/белой] правая сторона), со стороны стойки А, и «массой». • штырем 15 C44 стеклоподъемника правой передней двери, электрической цепи 15- AJ27 (зеленой/белой) левая сторона (электрической цепи 15-AJ26 [зеленой/желтой] правая сторона), со стороны стойки А, и «массой». • штырем 13 C45 стеклоподъемника левой задней пассажирской двери, электрической цепи 15-AJ13 (зеленой/синей), со стороны стойки В, и «массой». • штырем 13 C46 стеклоподъемника правой задней пассажирской двери, электрической цепи 15-AJ13 (зеленой/синей), со стороны стойки В, и «массой». |
|
• Напряжение составляет более 10 В? |
|
|
→ Да |
|
|
ОТРЕМОНТИРУЙТЕ электрическую цепь 15-AJ26 (зеленую/желтую) со стороны двери; или электрическую цепь 15-AJ27 (зеленую/белую) со стороны двери или электрическую цепь 15-AJ31 (зеленую/синюю) со стороны двери. ПРОВЕРЬТЕ правильность работы системы. |
|
|
→ Нет |
|
|
ОТРЕМОНТИРУЙТЕ электрическую цепь 15-AJ26 (зеленую/желтую) со стороны стойки А; или электрическую цепь 15-AJ27 (зеленую/белую) со стороны стойки А, или электрическую цепь 15-AJ13 (зеленую/синюю) со стороны стойки В. ПРОВЕРЬТЕ правильность работы системы. |
|
PINPOINT-ТЕСТ Q: ФУНКЦИЯ ОБЩЕГО ЗАКРЫВАНИЯ НЕ РАБОТАЕТ
|
СОСТОЯНИЯ |
ПОДРОБНОСТИ/РЕЗУЛЬТАТЫ/ДЕЙСТВИЯ |
|
Q1: ПРОВЕРЬТЕ НАПРЯЖЕНИЕ, ПОДАВАЕМОЕ НА ЭЛЕКТРОДВИГАТЕЛЬ НЕРАБОТАЮЩЕГО СТЕКЛОПОДЪЕМНИКА ОКНА ДВЕРИ |
|
|
1 Отсоедините Электродвигатель неработающего стеклоподъемника — C734, C735, C736 или C737. |
|
![]() ![]() |
2 Измерьте напряжение между: • штырем 6 C734 электродвигателя стеклоподъемника окна двери водителя, электрической цепи 8-AJ42 (белой/зеленой), со стороны жгута электропроводки, и «массой». • штырем 6 C735 электродвигателя стеклоподъемника переднего пассажирского окна, электрической цепи 8-AJ56 (белой/зеленой), со стороны жгута электропроводки, и «массой». • штырем 6 C737 электродвигателя стеклоподъемника левого заднего пассажирского окна, электрической цепи 8-AJ65 (белой/зеленой), со стороны жгута электропроводки, и «массой». • штырем 6 C736 электродвигателя стеклоподъемника правого заднего пассажирского окна, электрической цепи 8-AJ65 (белой/зеленой), со стороны жгута электропроводки, и «массой». |
|
• Напряжение составляет более 10 В? |
|
|
→ Да |
|
|
УСТАНОВИТЕ новый электродвигатель стеклоподъемника За дополнительной информацией обратитесь к Электродвигатель стеклоподъемника окна двери имеющейся в этом разделе. ПРОВЕРЬТЕ правильность работы системы. |
|
|
→ Нет |
|
|
ОТРЕМОНТИРУЙТЕ электрическую цепь 8-AJ42 (белую/зеленую); или 8-AJ56 (белую/зеленую) или 8-AJ65 (белую/зеленую). ПРОВЕРЬТЕ правильность работы системы. |
|
PINPOINT-ТЕСТ R: ВСЕ ОКНА С ЭЛЕКТРОПРИВОДОМ СТЕКЛОПОДЪЕМНИКА НЕ РАБОТАЮТ — ПЕРЕДНИЕ ОКНА С ЭЛЕКТРОПРИВОДОМ СТЕКЛОПОДЪЕМНИКА
|
СОСТОЯНИЯ |
ПОДРОБНОСТИ/РЕЗУЛЬТАТЫ/ДЕЙСТВИЯ |
|
R1: ПРОВЕРЬТЕ НАПРЯЖЕНИЕ НА ПЕРЕКЛЮЧАТЕЛЯХ СТЕКЛОПОДЪЕМНИКОВ |
|
|
1 Ведите положение ON. |
|
|
• Светодиоды переключателей стеклоподъемников горят? |
|
|
→ Да |
|
|
ПРОВЕРЬТЕ обоснованность жалобы клиента. |
|
|
→ Нет |
|
|
Перейдите к R2 |
|
|
R2: ПРОВЕРЬТЕ НА НАЛИЧИЕ РАЗРЫВОВ ЦЕПЬ МЕЖДУ ПЕРЕКЛЮЧАТЕЛЕМ СТЕКЛОПОДЪЕМНИКА ОКНА ДВЕРИ ВОДИТЕЛЯ И «МАССОЙ» |
|
|
1 Введите положение OFF. |
|
|
2 Отсоедините Переключатель стеклоподъемника окна двери водителя — C488. |
|
![]() ![]() |
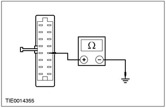
3 Измерьте сопротивление между штырем 1 C488 переключателя стеклоподъемника окна двери водителя, электрической цепи 31-AJ7 (черной), со стороны жгута электропроводки, и «массой». |
|
• Сопротивление составляет менее 5 Ом? |
|
|
→ Да |
|
|
Перейдите к R3 |
|
|
→ Нет |
|
|
ОТРЕМОНТИРУЙТЕ электрическую цепь 31-AJ7 (черную). Проверьте правильность работы системы. |
|
|
R3: ПРОВЕРЬТЕ НАПРЯЖЕНИЕ, ПОДАВАЕМОЕ НА ПЕРЕКЛЮЧАТЕЛЬ СТЕКЛОПОДЪЕМНИКА ОКНА ДВЕРИ ВОДИТЕЛЯ |
|
|
1 Ведите положение ON. |
|
![]() ![]() |
2 Измерьте напряжение между штырем 10 C488 переключателя стеклоподъемника окна двери водителя, электрической цепи 15-AJ7 (зеленой/синей), со стороны жгута электропроводки, и «массой». |
|
• Напряжение составляет более 10 В? |
|
|
→ Да |
|
|
Проверьте обоснованность жалобы клиента. |
|
|
→ Нет |
|
|
ОТРЕМОНТИРУЙТЕ электрическую цепь 15-AJ7 (зеленую/коричневую). Проверьте правильность работы системы. |
|
PINPOINT-ТЕСТ S: НЕ РАБОТАЕТ СТЕКЛОПОДЪЕМНИК ЛЕВОГО ИЛИ ПРАВОГО ОКНА — СО СТОРОНЫ ВОДИТЕЛЯ
|
СОСТОЯНИЯ |
ПОДРОБНОСТИ/РЕЗУЛЬТАТЫ/ДЕЙСТВИЯ |
|
S1: ПРОВЕРЬТЕ НАПРЯЖЕНИЕ ЗАЖИГАНИЯ НА ПЕРЕКЛЮЧАТЕЛЕ СТЕКЛОПОДЪЕМНИКА ОКНА ДВЕРИ ВОДИТЕЛЯ |
|
|
1 Ведите положение ON. |
|
|
• Светодиод переключателя стеклоподъемника окна двери водителя горит? |
|
|
→ Да |
|
|
Перейдите к S2 |
|
|
→ Нет |
|
|
Перейдите к S4 |
|
|
S2: ПРОВЕРЬТЕ НА НАЛИЧИЕ РАЗРЫВОВ ЦЕПЬ МЕЖДУ ЭЛЕКТРОДВИГАТЕЛЕМ СТЕКЛОПОДЪЕМНИКА ОКНА ДВЕРИ ВОДИТЕЛЯ И «МАССОЙ» |
|
|
1 Введите положение OFF. |
|
|
2 Отсоедините Электродвигатель стеклоподъемника окна двери водителя — C782. |
|
![]() ![]() |
3 Измерьте сопротивление между штырем 1 C782 электродвигателя стеклоподъемника окна двери водителя, электрической цепи 33-AJ26 (желтой), со стороны жгута электропроводки, и «массой». |
|
• Сопротивление составляет менее 5 Ом? |
|
|
→ Да |
|
|
Перейдите к S3 |
|
|
→ Нет |
|
|
ПРОВЕРЬТЕ правильность работы системы. Проверьте на размыкание цепь между реле открывания/закрывания «в одно касание» и переключателем стеклоподъемника окна двери водителя |
|
|
S3: ПРОВЕРЬТЕ НАПРЯЖЕНИЕ, ПОДАВАЕМОЕ НА ЭЛЕКТРОДВИГАТЕЛЬ СТЕКЛОПОДЪЕМНИКА ОКНА ДВЕРИ ВОДИТЕЛЯ |
|
|
1 Ведите положение ON. |
|
|
2 Нажмите на переключатель стеклоподъемника окна двери водителя в положении ЗАКРЫВАНИЯ. |
|
![]() ![]() |
3 Измерьте напряжение между штырем 2 C782 электродвигателя стеклоподъемника окна двери водителя, электрической цепи 32-AJ26 (белой), со стороны жгута электропроводки, и «массой». |
|
• ОТРЕМОНТИРУЙТЕ цепь 32-AJ17 (белую/фиолетовую). |
|
|
→ Да |
|
|
Установите новый электродвигатель стеклоподъемника окна двери водителя За дополнительной информацией обратитесь к Электродвигатель стеклоподъемника окна двери имеющейся в этом разделе. . Проверьте напряжение в цепи закрывания электродвигателя стеклоподъемника пассажирского окна |
|
|
→ Нет |
|
|
ПРОВЕРЬТЕ правильность работы системы. Проверьте правильность работы системы. |
|
|
S4: ПРОВЕРЬТЕ ЦЕПЬ МЕЖДУ ПЕРЕКЛЮЧАТЕЛЕМ СТЕКЛОПОДЪЕМНИКА ОКНА ДВЕРИ ВОДИТЕЛЯ И «МАССОЙ» НА РАЗМЫКАНИЕ |
|
|
1 Введите положение OFF. |
|
|
2 Отсоедините Переключатель стеклоподъемника окна двери водителя — C488. |
|
![]() ![]() |
3 Измерьте сопротивление между штырем 1 C488 переключателя стеклоподъемника окна двери водителя, электрической цепи 31-AJ7 (черной), со стороны жгута электропроводки, и «массой». |
|
• Сопротивление составляет менее 5 Ом? |
|
|
→ Да |
|
|
Перейдите к S5 |
|
|
→ Нет |
|
|
ОТРЕМОНТИРУЙТЕ электрическую цепь 31-AJ7 (черную). Проверьте правильность работы системы. |
|
|
S5: ПРОВЕРЬТЕ НАПРЯЖЕНИЕ, ПОДАВАЕМОЕ НА ПЕРЕКЛЮЧАТЕЛЬ СТЕКЛОПОДЪЕМНИКА ОКНА ДВЕРИ ВОДИТЕЛЯ |
|
|
1 Ведите положение ON. |
|
![]() ![]() |
2 Измерьте напряжение между штырем 10 C488 переключателя стеклоподъемника окна двери водителя, электрической цепи 15-AJ7 (зеленой/синей), со стороны жгута электропроводки, и «массой». |
|
• Напряжение составляет более 10 В? |
|
|
→ Да |
|
|
ПРОВЕРЬТЕ обоснованность жалобы клиента. |
|
|
→ Нет |
|
|
ОТРЕМОНТИРУЙТЕ электрическую цепь 15-AJ7 (зеленую/коричневую). ПРОВЕРЬТЕ правильность работы системы. |
|
PINPOINT-ТЕСТ T: НЕ РАБОТАЕТ СТЕКЛОПОДЪЕМНИК ЛЕВОГО ИЛИ ПРАВОГО ОКНА — С ПАССАЖИРСКОЙ СТОРОНЫ
|
СОСТОЯНИЯ |
ПОДРОБНОСТИ/РЕЗУЛЬТАТЫ/ДЕЙСТВИЯ |
|
T1: ПРОВЕРЬТЕ НАПРЯЖЕНИЕ НА ПЕРЕКЛЮЧАТЕЛЕ СТЕКЛОПОДЪЕМНИКА ОКНА ДВЕРИ ПАССАЖИРА |
|
|
1 Ведите положение ON. |
|
|
• Светодиод переключателя стеклоподъемника окна двери пассажира горит? |
|
|
→ Да |
|
|
Перейдите к T2 |
|
|
→ Нет |
|
|
Перейдите к T5 |
|
|
T2: ПРОВЕРЬТЕ ЦЕПИ ЗАЗЕМЛЕНИЯ ПЕРЕКЛЮЧАТЕЛЯ СТЕКЛОПОДЪЕМНИКА ОКНА ДВЕРИ ПАССАЖИРА |
|
|
1 Введите положение OFF. |
|
|
2 Отсоедините Переключатель стеклоподъемника окна двери пассажира — C489. |
|
![]() ![]() |
3 Измерьте сопротивление между штырем 3 C489 переключателя стеклоподъемника окна двери пассажира, электрической цепи 32-AJ18 (белой/фиолетовой), со стороны жгута электропроводки, и «массой»; и между штырем 6 C489 переключателя стеклоподъемника окна двери пассажира, электрической цепи 33-AJ18 (желтой/фиолетовой), со стороны жгута электропроводки, и «массой». |
|
• Сопротивление во всех случаях составляет менее 5 Ом? |
|
|
→ Да |
|
|
Перейдите к T3 |
|
|
→ Нет |
|
|
Отремонтируйте электрическую цепь 32-AJ18 (белую/фиолетовую) или электрическую цепь 33-AJ18 (желтую/фиолетовую). ПРОВЕРЬТЕ правильность работы системы. |
|
|
T3: ПРОВЕРЬТЕ НА НАЛИЧИЕ РАЗРЫВОВ ЦЕПЬ МЕЖДУ ПЕРЕКЛЮЧАТЕЛЕМ СТЕКЛОПОДЪЕМНИКА ОКНА ДВЕРИ ПАССАЖИРА И ЭЛЕКТРОДВИГАТЕЛЕМ |
|
|
1 Отсоедините Электродвигатель стеклоподъемника окна двери пассажира — C783. |
|
![]() ![]() |
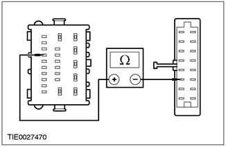
2 Измерьте сопротивление между штырем 1 C489 переключателя стеклоподъемника окна двери пассажира, электрической цепи 33-AJ17 (желтой/фиолетовой), со стороны жгута электропроводки, и штырем 1 C783 электродвигателя стеклоподъемника окна двери пассажира, электрической цепи 33-AJ17 (желтой/фиолетовой), со стороны жгута электропроводки. |
|
• Сопротивление составляет менее 5 Ом? |
|
|
→ Да |
|
|
Перейдите к T4 |
|
|
→ Нет |
|
|
ПРОВЕРЬТЕ правильность работы системы. Функция открывания «в одно касание» не работает |
|
|
T4: ПРОВЕРЬТЕ НА НАЛИЧИЕ РАЗРЫВОВ ЦЕПЬ МЕЖДУ ПЕРЕКЛЮЧАТЕЛЕМ СТЕКЛОПОДЪЕМНИКА ОКНА ДВЕРИ ПАССАЖИРА И ЭЛЕКТРОДВИГАТЕЛЕМ |
|
![]() ![]() |
1 Измерьте сопротивление между штырем 7 C489 переключателя стеклоподъемника окна двери пассажира, электрической цепи 32-AJ17 (белой/фиолетовой), со стороны жгута электропроводки, и штырем 2 C783 электродвигателя стеклоподъемника окна двери пассажира, электрической цепи 32-AJ17 (белой/фиолетовой), со стороны жгута электропроводки. |
|
• ПРОВЕРЬТЕ обоснованность жалобы клиента. |
|
|
→ Да |
|
|
УСТАНОВИТЕ новый электродвигатель стеклоподъемника За дополнительной информацией обратитесь к Электродвигатель стеклоподъемника окна двери имеющейся в этом разделе. ПРОВЕРЬТЕ правильность работы системы. |
|
|
→ Нет |
|
|
ПРОВЕРЬТЕ правильность работы системы. ОТРЕМОНТИРУЙТЕ цепь 33-AJ17 (желтую/фиолетовую). |
|
|
T5: ПРОВЕРЬТЕ ЦЕПЬ ЗАЗЕМЛЕНИЯ ПЕРЕКЛЮЧАТЕЛЯ СТЕКЛОПОДЪЕМНИКА ОКНА ДВЕРИ ПАССАЖИРА |
|
|
1 Введите положение OFF. |
|
|
2 Отсоедините Переключатель стеклоподъемника окна двери пассажира — C489. |
|
![]() ![]() |
3 Измерьте сопротивление между штырем 4 C489 переключателя стеклоподъемника окна двери пассажира, электрической цепи 31-LH31 (черной), со стороны жгута электропроводки, и «массой». |
|
• Сопротивление составляет менее 5 Ом? |
|
|
→ Да |
|
|
Перейдите к T6 |
|
|
→ Нет |
|
|
ОТРЕМОНТИРУЙТЕ цепь 31-LH31 (черную). ПРОВЕРЬТЕ правильность работы системы. |
|
|
T6: ПРОВЕРЬТЕ НАПРЯЖЕНИЕ НА ПЕРЕКЛЮЧАТЕЛЕ СТЕКЛОПОДЪЕМНИКА ОКНА ДВЕРИ ПАССАЖИРА |
|
|
1 Ведите положение ON. |
|
![]() ![]() |
2 Измерьте напряжение между штырем 2 C489 переключателя стеклоподъемника окна двери пассажира, электрической цепи 15-AJ18 (зеленой/белой), со стороны жгута электропроводки, и «массой». |
|
• Напряжение составляет более 10 В? |
|
|
→ Да |
|
|
ПРОВЕРЬТЕ обоснованность жалобы клиента. |
|
|
→ Нет |
|
|
ОТРЕМОНТИРУЙТЕ электрическую цепь 15-AJ18 (зеленую/белую). ПРОВЕРЬТЕ правильность работы системы. |
|
PINPOINT-ТЕСТ U: НЕ РАБОТАЕТ СИСТЕМА УСТРАНЕНИЯ ОБЛЕДЕНЕНИЯ.
|
СОСТОЯНИЯ |
ПОДРОБНОСТИ/РЕЗУЛЬТАТЫ/ДЕЙСТВИЯ |
|
U1: ПРОВЕРЬТЕ РАБОТУ ЦЕПИ ОБОГРЕВА ЗАДНЕГО СТЕКЛА |
|
|
1 Ведите положение ON. |
|
|
2 Нажмите на переключатель обогрева заднего стекла. |
|
|
• Электрическая цепь обогрева заднего стекла функционирует правильно? |
|
|
→ Да |
|
|
Перейдите к U2 |
|
|
→ Нет |
|
|
Перейдите к U3 |
|
|
U2: ПРОВЕРЬТЕ РАБОТУ ЦЕПИ ОБОГРЕВА ЛОБОВОГО СТЕКЛА |
|
|
1 Ведите положение START. |
|
|
2 Ведите положение ON. |
|
|
3 При работающем двигателе нажмите на переключатель обогрева лобового стекла. |
|
|
• Электрическая цепь обогрева лобового стекла функционирует правильно? |
|
|
→ Да |
|
|
ПРОВЕРЬТЕ обоснованность жалобы клиента. |
|
|
→ Нет |
|
|
Перейдите к U6 |
|
|
U3: ПРОВЕРЬТЕ РАБОТУ ОБОГРЕВА НАРУЖНЫХ ЗЕРКАЛ |
|
|
1 Нажмите на переключатель обогрева заднего стекла. |
|
|
• Обогрев наружных зеркал функционирует правильно? |
|
|
→ Да |
|
|
Перейдите к U4 |
|
|
→ Нет |
|
|
Перейдите к U10 |
|
|
U4: ПРОВЕРЬТЕ НАПРЯЖЕНИЕ В ЦЕПИ ОБОГРЕВА ЗАДНЕГО СТЕКЛА |
|
|
1 Введите положение OFF. |
|
|
2 Отсоедините Обогрев заднего стекла — C949 или C950. |
|
|
3 Ведите положение ON. |
|
![]() ![]() |
4 Измерьте напряжение между: • 3-дверный вариант, 5-дверный вариант и «универсал» — штырем 1 C949 заднего стекла с обогревом, электрической цепи 15S-HB19 (зеленой/синей), со стороны жгута электропроводки, и «массой». • 4-дверный вариант — штырем 1 C950 заднего стекла с обогревом, электрической цепи 15S-HB19 (зеленой/синей), со стороны жгута электропроводки, и «массой». |
|
• Напряжение составляет более 10 В? |
|
|
→ Да |
|
|
Перейдите к U5 |
|
|
→ Нет |
|
|
ОТРЕМОНТИРУЙТЕ цепь 15S-HB19 (зеленую/синюю). ПРОВЕРЬТЕ правильность работы системы. |
|
|
U5: ПРОВЕРЬТЕ ЦЕПЬ ЗАЗЕМЛЕНИЯ ЗАДНЕГО СТЕКЛА С ОБОГРЕВОМ |
|
|
1 Введите положение OFF. |
|
|
2 Отсоедините Обогрев заднего стекла — C951. |
|
![]() ![]() |
3 Измерьте сопротивление между: • 3-дверный вариант, 5-дверный вариант и «универсал» — электрической цепью заземления заднего стекла с обогревом и «массой». • 4-дверный вариант — штырем 1 C951 заднего стекла с обогревом, электрической цепи 31-HB19 (черной), со стороны жгута электропроводки, и «массой». |
|
• Сопротивление составляет менее 5 Ом? |
|
|
→ Да |
|
|
УСТАНОВИТЕ новое заднее стекло с обогревом. ПРОВЕРЬТЕ правильность работы системы. |
|
|
→ Нет |
|
|
3-дверный вариант, 5-дверный вариант и «универсал» ОТРЕМОНТИРУЙТЕ цепь заземления заднего стекла с обогревом. ПРОВЕРЬТЕ правильность работы системы. 4-дверный вариант: ОТРЕМОНТИРУЙТЕ электрическую цепь 31-HB19 (черную). ПРОВЕРЬТЕ правильность работы системы. |
|
|
U6: ПРОВЕРЬТЕ РАБОТУ РЕЛЕ ОБОГРЕВА ЛОБОВОГО СТЕКЛА |
|
|
1 Нажмите на переключатель обогрева лобового стекла. |
|
|
• Реле щелкает? |
|
|
→ Да |
|
|
Перейдите к U7 |
|
|
→ Нет |
|
|
Перейдите к U14 |
|
|
U7: ПРОВЕРЬТЕ НАПРЯЖЕНИЕ, ПОДАВАЕМОЕ НА ПРОВОДА РЕШЕТКИ ОБОГРЕВА ЛОБОВОГО СТЕКЛА |
|
|
1 Введите положение OFF. |
|
|
2 Отсоедините Обогрев лобового стекла — C634. |
|
|
3 Ведите положение START. |
|
|
4 Ведите положение ON. |
|
![]() ![]() |
5 Измерьте напряжение между: • штырем 2 C634 левого провода решетки обогрева лобового стекла, электрической цепи 64S-HB12 (синей), со стороны жгута электропроводки, и «массой». • штырем 1 C634 правого провода решетки обогрева лобового стекла, электрической цепи 64S-HB25 (синей/красной), со стороны жгута электропроводки, и «массой». |
|
• Напряжение во всех случаях составляет более 10 В? |
|
|
→ Да |
|
|
Перейдите к U8 |
|
|
→ Нет |
|
|
Перейдите к U17 |
|
|
U8: ПРОВЕРЬТЕ ЦЕПИ ЗАЗЕМЛЕНИЯ ПРОВОДОВ РЕШЕТКИ ОБОГРЕВА ЛОБОВОГО СТЕКЛА |
|
|
1 Введите положение OFF. |
|
|
2 Измерьте сопротивление между цепями заземления лобового стекла с обогревом и «массой». |
|
|
• Сопротивление во всех случаях составляет менее 5 Ом? |
|
|
→ Да |
|
|
Перейдите к U9 |
|
|
→ Нет |
|
|
ОТРЕМОНТИРУЙТЕ цепь заземления лобового стекла с обогревом. ПРОВЕРЬТЕ правильность работы системы. |
|
|
U9: ПРОВЕРЬТЕ ПРОВОДА РЕШЕТКИ ОБОГРЕВА ЛОБОВОГО СТЕКЛА |
|
![]() ![]() |
1 Измерьте сопротивление между: • штырем 2 C634 провода решетки обогрева лобового стекла (левый элемент), со стороны элемента, и «массой» • штырем 1 C634 провода решетки обогрева лобового стекла (правый элемент), со стороны элемента, и «массой». |
|
• Сопротивление составляет более 10,000 Ом? |
|
|
→ Да |
|
|
УСТАНОВИТЕ новое лобовое стекло. ПРОВЕРЬТЕ правильность работы системы. |
|
|
→ Нет |
|
|
ПРОВЕРЬТЕ обоснованность жалобы клиента. |
|
|
U10: НАЖМИТЕ НА ПЕРЕКЛЮЧАТЕЛЬ ОБОГРЕВА ЗАДНЕГО СТЕКЛА. |
|
|
1 Нажмите на переключатель обогрева заднего стекла. |
|
|
• Проверьте плавкий предохранитель F7 (40 A) |
|
|
→ Да |
|
|
Перейдите к U11 |
|
|
→ Нет |
|
|
Перейдите к U18 |
|
|
U11: ПРОВЕРЬТЕ НАПРЯЖЕНИЕ, ПОДАВАЕМОЕ НА ПЛАВКИЙ ПРЕДОХРАНИТЕЛЬ 49 (25 А) ЦЕНТРАЛЬНОЙ КОРОБКИ СОЕДИНЕНИЙ (CJB) |
|
|
1 Введите положение OFF. |
|
|
2 Отсоедините Плавкий предохранитель 49 (25 A). |
|
![]() ![]() |
3 Измерьте напряжение между входом плавкого предохранителя 49 (25A) и «массой». |
|
• Напряжение составляет более 10 В? |
|
|
→ Да |
|
|
Перейдите к U12 |
|
|
→ Нет |
|
|
ОТРЕМОНТИРУЙТЕ центральную коробку соединений. ПРОВЕРЬТЕ правильность работы системы. |
|
|
U12: ПРОВЕРЬТЕ НАПРЯЖЕНИЕ В ЦЕПИ ОБОГРЕВА ЗАДНЕГО СТЕКЛА |
|
|
1 Отсоедините Обогрев заднего стекла — C949. |
|
|
2 Ведите положение ON. |
|
|
3 Измерьте напряжение между: • 3-дверный вариант, 5-дверный вариант и «универсал» — штырем 1 C949 обогрева заднего стекла, электрической цепи 15S-HB19 (зеленой/синей), со стороны жгута электропроводки, и «массой». • 4-дверный вариант — штырем 1 C950 обогрева заднего стекла , электрической цепи 15S-HB19 (зеленой/синей), со стороны жгута электропроводки, и «массой». |
|
|
• Напряжение составляет более 10 В? |
|
|
→ Да |
|
|
Перейдите к U13 |
|
|
→ Нет |
|
|
ОТРЕМОНТИРУЙТЕ цепь 15S-HB19 (зеленую/синюю). ПРОВЕРЬТЕ правильность работы системы. |
|
|
U13: ПРОВЕРЬТЕ ЦЕПЬ ЗАЗЕМЛЕНИЯ ЗАДНЕГО СТЕКЛА С ОБОГРЕВОМ |
|
|
1 Введите положение OFF. |
|
|
2 Отсоедините Обогрев заднего стекла — C951. |
|
![]() ![]() |
3 Измерьте сопротивление между: • 3-дверный вариант, 5-дверный вариант и «универсал» — электрической цепью заземления заднего стекла с обогревом и «массой». • 4-дверный вариант — штырем 1 C951 обогрева заднего стекла, электрической цепи 31-HB19 (черной), со стороны жгута электропроводки, и «массой». |
|
• Сопротивление составляет менее 5 Ом? |
|
|
→ Да |
|
|
УСТАНОВИТЕ новое заднее стекло с обогревом. ПРОВЕРЬТЕ правильность работы системы. |
|
|
→ Нет |
|
|
3-дверный вариант, 5-дверный вариант и «универсал»: ОТРЕМОНТИРУЙТЕ цепь заземления заднего стекла с обогревом. ПРОВЕРЬТЕ правильность работы системы. 4-дверный вариант: ОТРЕМОНТИРУЙТЕ электрическую цепь 31-HB19 (черную). ПРОВЕРЬТЕ правильность работы системы. |
|
|
U14: ПРОВЕРЬТЕ НАПРЯЖЕНИЕ, ПОДАВАЕМОЕ НА РЕЛЕ ОБОГРЕВА ЛОБОВОГО СТЕКЛА |
|
|
1 Введите положение OFF. |
|
|
2 Отсоедините Реле обогрева лобового стекла — C1003. |
|
|
3 Ведите положение START. |
|
|
4 Ведите положение ON. |
|
![]() ![]() |
5 Измерьте напряжение между штырем 1 C1003 реле обогрева лобового стекла, электрической цепи 64 — HB7 (синей/красной), со стороны жгута электропроводки, и «массой». |
|
• Напряжение составляет более 10 В? |
|
|
→ Да |
|
|
Перейдите к U15 |
|
|
→ Нет |
|
|
ОТРЕМОНТИРУЙТЕ электрическую цепь 64-HB7 (синюю/красную). ПРОВЕРЬТЕ правильность работы системы. |
|
|
U15: ПРОВЕРЬТЕ НА НАЛИЧИЕ РАЗРЫВОВ ЦЕПЬ МЕЖДУ ОБЩИМ ЭЛЕКТРОННЫМ МОДУЛЕМ (GEM) И «МАССОЙ» |
|
|
1 Введите положение OFF. |
|
|
2 Отсоедините GEM — C104.. |
|
|
3 Нажмите на переключатель обогрева лобового стекла. |
|
![]() ![]() |
4 Измерьте сопротивление между штырем 13 C104 модуля GEM , электрической цепи 31S-HB9 (черной/белой), со стороны жгута электропроводки, и «массой». |
|
• Сопротивление составляет менее 5 Ом? |
|
|
→ Да |
|
|
Перейдите к U16 |
|
|
→ Нет |
|
|
Перейдите к U20 |
|
|
U16: ПРОВЕРЬТЕ НА НАЛИЧИЕ РАЗРЫВОВ ЦЕПЬ МЕЖДУ РЕЛЕ ОБОГРЕВА ЛОБОВОГО СТЕКЛА И МОДУЛЕМ GEM |
|
|
1 Отсоедините GEM — C103.. |
|
![]() ![]() |
2 Измерьте сопротивление между штырем 2 C1003 реле обогрева лобового стекла, электрической цепи 31S-HB7 (черной/синей), со стороны жгута электропроводки, и штырем 23 C103 модуля GEM, электрической цепи 31S-HB7A (черной/синей), со стороны жгута электропроводки. |
|
• Сопротивление составляет менее 5 Ом? |
|
|
→ Да |
|
|
УСТАНОВИТЕ новое реле обогрева лобового стекла. ПРОВЕРЬТЕ правильность работы системы. |
|
|
→ Нет |
|
|
ОТРЕМОНТИРУЙТЕ цепь 31S-HB7 (черную/синюю). ПРОВЕРЬТЕ правильность работы системы. |
|
|
U17: ПРОВЕРЬТЕ НА НАЛИЧИЕ РАЗРЫВОВ ЦЕПЬ МЕЖДУ РЕЛЕ ОБОГРЕВА ЛОБОВОГО СТЕКЛА И ПРОВОДАМИ РЕШЕТКИ ОБОГРЕВА ЛОБОВОГО СТЕКЛА |
|
|
1 Введите положение OFF. |
|
|
2 Отсоедините Реле обогрева лобового стекла — C1003. |
|
![]() ![]() |
3 Измерьте сопротивление между: • штырем 5 C1003 левого провода решетки — реле обогрева лобового стекла, электрической цепи 64S-HB1 (синей/красной), со стороны жгута электропроводки, и штырем 2 C634 левого провода решетки обогрева лобового стекла, электрической цепи 64S-HB12 (синей), со стороны жгута электропроводки. • штырем 5 C1003 правого провода решетки — реле обогрева лобового стекла, электрической цепи 64S-HB1 (синей/красной), со стороны жгута электропроводки, и штырем 1 C634 правого провода решетки обогрева лобового стекла, электрической цепи 64S-HB25 (синей/красной), со стороны жгута электропроводки. |
|
• Сопротивление во всех случаях составляет менее 5 Ом? |
|
|
→ Да |
|
|
УСТАНОВИТЕ новое реле обогрева лобового стекла. ПРОВЕРЬТЕ правильность работы системы. |
|
|
→ Нет |
|
|
ОТРЕМОНТИРУЙТЕ электрическую цепь 64S-HB1 (синюю/красную), электрическую цепь 64S-HB12 (синюю) или электрическую цепь 64S-HB25 (синюю/красную). ПРОВЕРЬТЕ правильность работы системы. |
|
|
U18: ПРОВЕРЬТЕ НА НАЛИЧИЕ РАЗРЫВОВ ЦЕПЬ МЕЖДУ РЕЛЕ ОБОГРЕВА ЗАДНЕГО СТЕКЛА И ОБЩИМ ЭЛЕКТРОННЫМ МОДУЛЕМ (GEM) |
|
|
1 Введите положение OFF. |
|
|
2 Отсоедините Реле обогрева заднего стекла — C1025. |
|
|
3 Отсоедините GEM — C105.. |
|
![]() ![]() |
4 Измерьте сопротивление между штырем 2 C1025 реле обогрева заднего стекла(CJB), со стороны жгута электропроводки, и штырем 15 C105 центрального модуля таймера, электрической цепи 31S-HB20 (черной/зеленой), со стороны жгута электропроводки. |
|
• Сопротивление составляет менее 5 Ом? |
|
|
→ Да |
|
|
Перейдите к U19 |
|
|
→ Нет |
|
|
ОТРЕМОНТИРУЙТЕ центральную коробку соединений. Проверьте правильность работы системы. |
|
|
U19: ПРОВЕРЬТЕ НА НАЛИЧИЕ РАЗРЫВОВ ЦЕПЬ МЕЖДУ МОДУЛЕМ GEM И «МАССОЙ» |
|
|
1 Отсоедините GEM — C104.. |
|
|
2 Нажмите на переключатель обогрева заднего стекла |
|
![]() ![]() |
3 Измерьте сопротивление между штырем 20 C104 модуля GEM, электрической цепи 31S-HB22 (черной/зеленой), со стороны жгута электропроводки, и «массой». |
|
• Сопротивление составляет менее 5 Ом? |
|
|
→ Да |
|
|
УСТАНОВИТЕ новое реле обогрева заднего стекла. Проверьте правильность работы системы. |
|
|
→ Нет |
|
|
Перейдите к U22 |
|
|
U20: ПРОВЕРЬТЕ НА НАЛИЧИЕ РАЗРЫВОВ ЦЕПЬ МЕЖДУ МОДУЛЕМ GEM И МОДУЛЕМ УПРАВЛЕНИЯ ОТОПИТЕЛЕМ |
|
|
1 Введите положение OFF. |
|
|
2 Отсоедините Модуль управления отопителем — C380. |
|
![]() ![]() |
3 Измерьте сопротивление между штырем 13 C104 модуля GEM, электрической цепи 13S-HB9 (черной/белой), со стороны жгута электропроводки, и штырем 5 C380 модуля управления отопителем, электрической цепи 31S-HB9 (черной/белой), со стороны жгута электропроводки. |
|
• Сопротивление составляет менее 5 Ом? |
|
|
→ Да |
|
|
Перейдите к U21 |
|
|
→ Нет |
|
|
ОТРЕМОНТИРУЙТЕ электрическую цепь 31S-HB9 (черную/белую). Проверьте правильность работы системы. |
|
|
U21: ПРОВЕРЬТЕ ЦЕПЬ ЗАЗЕМЛЕНИЯ МОДУЛЯ УПРАВЛЕНИЯ ОТОПИТЕЛЕМ |
|
![]() ![]() |
1 Измерьте сопротивление между штырем 12 C380 модуля управления отопителем, электрической цепи 91-FA13 (черной/оранжевой) со стороны жгута электропроводки, и «массой». |
|
• Сопротивление составляет менее 5 Ом? |
|
|
→ Да |
|
|
УСТАНОВИТЕ новый модуль управления отопителем. Проверьте правильность работы системы. |
|
|
→ Нет |
|
|
ОТРЕМОНТИРУЙТЕ электрическую цепь 91-FA13 (черную/оранжевую). Проверьте правильность работы системы. |
|
|
U22: ПРОВЕРЬТЕ НА НАЛИЧИЕ РАЗРЫВОВ ЦЕПЬ МЕЖДУ МОДУЛЕМ GEM И МОДУЛЕМ УПРАВЛЕНИЯ ОТОПИТЕЛЕМ |
|
|
1 Отсоедините Модуль управления отопителем — C380.. |
|
![]() ![]() |
2 Измерьте сопротивление между штырем 20 C104 модуля GEM, электрической цепи 31S-HB22 (черной/зеленой), со стороны жгута электропроводки, и штырем 3 C380 модуля управления отопителем, электрической цепи 31S-HB22 (черной/зеленой) со стороны жгута электропроводки. |
|
• Сопротивление составляет менее 5 Ом? |
|
|
→ Да |
|
|
Перейдите к U23 |
|
|
→ Нет |
|
|
ОТРЕМОНТИРУЙТЕ электрическую цепь 31S-HB22 (черную/зеленую). Проверьте правильность работы системы. |
|
|
U23: ПРОВЕРЬТЕ НА НАЛИЧИЕ РАЗРЫВОВ ЦЕПЬ МЕЖДУ МОДУЛЕМ УПРАВЛЕНИЯ ОТОПИТЕЛЕМ И «МАССОЙ» |
|
![]() ![]() |
1 Измерьте сопротивление между штырем 12 C380 модуля управления отопителем, электрической цепи 91-FA13 (черной/оранжевой), со стороны жгута электропроводки, и «массой». |
|
• Сопротивление составляет менее 5 Ом? |
|
|
→ Да |
|
|
УСТАНОВИТЕ новый модуль управления отопителем. Проверьте правильность работы системы. |
|
|
→ Нет |
|
|
ОТРЕМОНТИРУЙТЕ электрическую цепь 91-FA13 (черную/оранжевую). Проверьте правильность работы системы. |
|
Главная Дорога Ford Focus I
Не Автоваз за 150 тысяч. Тест драйв Ford Focus I.
Ford Focus за 100 тыс. против ВАЗА!
Форд Фокус/Ford Focus 1
Форд Фокус 1 универсал 1,8 Тест драйв
Минусы Форд Фокус 1







































